Laadukas vesi WC Twist & Lock -toiminto, jolla voidaan pumpun kahvaa kiertämällä sulkea vedenvirtaus sisäänpäin varmasti ja helposti!
Jabsco manuaalinen wc Comfort-koossa, huolellisesti suunniteltu kulho, saranat ja kansi.
Luotettava ja kestävä WC, jossa on Twist ’n’ Lock -pumpputoiminto, joka lukitsee poistoventtiilin, kun kahvaa käännetään 90°. Tämä estää poistoveden painumisen takaisin kulhoon. (Asennettaessa vedenpinnan alapuolelle tai säiliön ollessa yläpuolella tarvitaan vesilukko, jossa on tuuletettu silmukka pumpun ja kulhon välillä.) Pumppu voidaan asentaa kulhon oikealle tai vasemmalle puolelle.
Jabsco Vesi WC Comfort, Twist n’ Lock
Tuotekoodi: 29120-5000
Myymälässä: 0 kpl, toimitusaika-arvio 3-4 päivää Verkkokaupassa: Toimittajan varastossa. toimitusaika-arvio 3-4 päivää
Rahtivapaa toimitus Postin, Matkahuollon tai DBSchenkerin noutopisteisiin.
Yksi maailman suosituimmista vene wc-malleista – modernilla muotoilulla
Kulho on posliinia, tiivisteet neopreenikumia, pumpunpesä ja pohjaosa delrin muovia. Kulhon ja pumpun voi asentaa myös niin että pumppu on wc:n vasemmalla puolella.
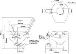
Mitat
- Kokonais korkeus 345 mm
- Korkeus kansi kokonaan auki 700 mm
- Syvyys 490 mm
- Syvyys kansi auki enimmillään 580 mm
- Kokonaisleveys pumpun kanssa 465 mm
- Tulo 19 mm (3/4″)
- Poisto 38 mm (1 1/2″)
- Paino 12,8 kg
Tälle tuotteelle ei ole vielä annettu arvosteluita.



