Sähkömekaaninen työyksikkö joka soveltuu noin 20-45 jalan purjeveneisiin. Useimpia hydraulisia ja sähkömekaanisia autopilotteja kompaktimpi ja tehokkaampi. Kestää jatkuvaa käyttöä pitkiäkin yhtäjaksoisia jaksoja. Saatavana myös sisäänrakennetulla peräsinkulma-anturilla tai anturitelineellä johon pilottivalmistajan anturi kiinnitetään.
Erittäin tarkka
Pieni säätöaskel takaa pehmeän automaattiohjauksen
Tehokas
Maksimiteho 100 kgM takaa ylivertaisen suorituskyvyn myös kovassa kuormituksessa
Kevyt
Paino vain 6,6 kg
Erittäin herkkä
Sähkömagneettisen kytkimen ansiosta hallinta voi tapahtua yhdellä sormella, mekaaninen ohjaus tuntuu yhtä herkältä kuin ilman automaattiohjausta.
Peräsinkulma-anturi
Saatavana myös sisäänrakennetulla peräsinkulma-anturilla
Jefa LD100 lineaarinen 100 kgM työyksikkö, 12 V
Tuotekoodi: DU-LD-12
Myymälässä: 0 kpl, Toimitusaika-arvio 2-3 viikkoa Verkkokaupassa: Toimittajan varastossa. Toimitusaika-arvio 2-3 viikkoa
Rahtivapaa toimitus Postin, Matkahuollon tai DBSchenkerin noutopisteisiin.
Tekniset tiedot
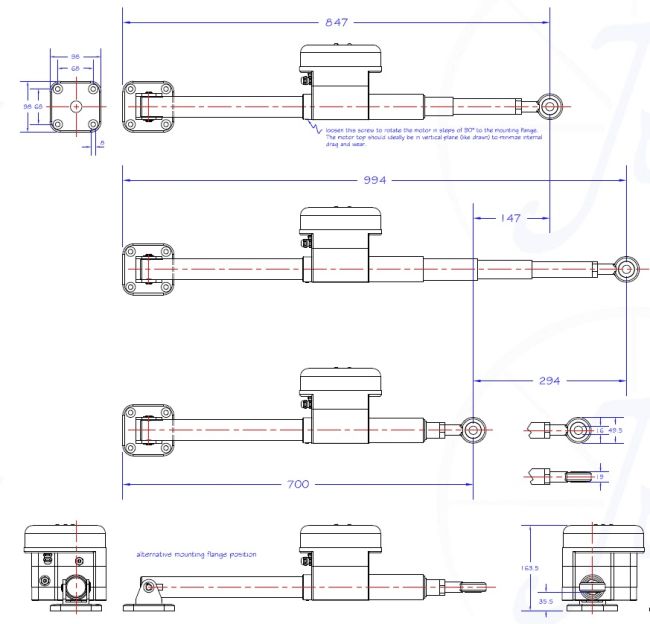
- Tyypillinen veneen koko:20 - 45 jalkaa (tai peräsimen vääntömomentti max 100 kgM)
- Työntövoima 400 kg
- Soveltuvuus: Minimi esim. B&G NAC-2 tai Raymarine EV-150 (peräsinkulma-anturi suositeltava)
- Käyttöjännite: 12 V
- Keskimääräinen virrankulutus: 1-2A
- Vääntömomentti: max 100 kgM
11 - 26 hamppaisia ketjurattaita saatavana tilauksesta. Ota yhteyttä!
Takuu 2 vuotta
Tälle tuotteelle ei ole vielä annettu arvosteluita.



